1. 반도체 다이오드의 두 가지 바이어스(Bias) 조건으로 맞는 것은?
① 발진과 증폭 ② 블록과 비블록
③ 유도와 비유도 ④ 순방향과 역방향
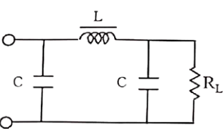
2. 다음 그림과 같은 평활회로에서 출력 맥동률을 최소화하기 위한 방법으로 틀린 것은?

① 정류파형의 주파수를 높인다. ② L값을 크게 한다.
③ C값을 크게 한다. ④ RL값을 작게 한다.
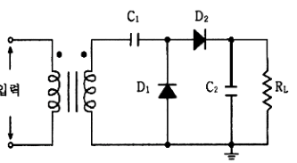
3. 다음 회로에서 RL 양단에 나타나는 정류출력전압은? (단, 입력에는 최대치 Vm인 사인파가 인가된다.)

① -Vm ② Vm
③ -2Vm ④ 2Vm
4. 다음 중 드레인 접지형 FET 증폭기에 대한 특성으로 틀린 것은? (단, FET의 파라미터 Am은 상호 전도도이다.)
① 입력 임피던스는 매우 크다.
② 전압 이득은 약 1이다.
③ 출력은 입력과 역위상이다.
④ 출력 임피던스는 약 1/Am이다.
5. 다음 바이어스로 회로에서 전류 궤환 회로로 변경하려 한다. 어느 부분이 추가 또는 수정되어야 하나?

① RC ② RE
③ RB ④ RC, RE
6. 계단(Step)입력에 대한 연산증폭기의 출력파형이 아래 그림과 같다. 슬루율(Slew Rate)은?

① 15[V/μS] ② 7.5[V/μS]
③ 10[V/μS] ④ 30[V/μS]
7. 다음 회로의 종류는?

① 반파정류회로 ② 전파정류회로
③ 피크검출기 ④ 대수 증폭기회로
8. 다음 콜피츠 발진회가 발진하는 조건은?

① jX1<0, jX2>0, jX3>0 ② jX1<0, jX2<0, jX3<0
③ jX1>0, jX2<0, jX3>0 ④ jX1<0, jX2<0, JX3>0
9. 병렬저항 이상형 RC발진회로에서 C=0.01[μF]일 때 1500[Hz]의 발진주파수를 얻기 위한 R값은 약 얼마인가?
① 1.51[kΩ] ② 2.52[kΩ]
③ 3.23[kΩ] ④ 4.33[kΩ]
10. 증폭기와 정궤환 회로를 이용한 발진회로에서 증폭기의 이득을 A, 궤환율을 β라고 할 때, βA<1이면 출력되는 파형은?

11. 다음 중 단측파대 변조 방식의 특징으로 틀린 것은?
① 점유주파수대역폭이 매우 작다.
② 변복조기 사이에 반송파의 동기가 필요하다.
③ 송신출력이 비교적 작게 된다.
④ 전송 도중에 복조되는 경우가 있다.
12. AM 복조(검파) 회로에서 직선 검파회로의 RC(시정수)가 반송파의 주기보다 짧은 경우에 일어나는 현상은?
① 중방전 특성이 늦어진다.
② 출력은 입력 전압의 반송파 진폭의 제곱에 비례하게 되며, 감도가 높아지게 된다.
③ 방전이 빨리 일어나서 저항 R의 단자 전압변동이 크게 일어난다.
④ 포락선의 변화에 추종하지 못한다.
13. 변조도80%로 진폭 변조한 피변조파에서 반송파의 전력 Pc와 상측파대 또는 하측파대의 전략 Ps와의 비율은?
① 1 : 0.8 ② 1 : 0.55
③ 1 : 0.33 ④ 1 : 0.16
14. 정보 전송에서 800[Baud]의 변조 속도로 4상 차분 위상 변조된 데이터 신호 속도는 얼마인가?
① 600[bps] ② 1200[bps]
③ 1600[bps] ④ 3200[bps]
15. 다음 회로에서 기전력 E를 가하고 S/W를 ON하였을 EO 저항 양단의 전압 VR은 t초 후 어떻게 표시되는가?

16. 다음 중 Flip-Flop 회로를 쓰지 않는 것은?
① 리피터 회로 ② 분주 회로
③ 기억 회로 ④ 진 계수 회로
17. 다음 중 BCD 코드란?
① byte ② bit
③ 2진화 10진 코드 ④ 10진화 2진 코드
18. 다음 회로와 등가인 회로는 어느 것인가?

① RS 플립플롭 ② JK 플립플롭
③ D 플립플롭 ④ T 플립플롭
19. 다음 그림은 T F/F을 이용한 비동기 10진 상향계수기이다. 계수값이 10이 되었을 때 계수기를 0으로 하기 위해서는 전체 F/F을 clear시켜야 하는데 이렇게 하기 위해 (가)에 알맞은 게이트는?

① OR ② AND
③ NOR ④ NAND
20. 멀티플렉서의 설명이 아닌 것은?
① 특정한 입력을 몇 개의 코드화된 신호의 조합으로 바꾼다.
② N개의 입력데이터에서 1개의 입력만 선택하여 단일 통로로 송신하는 장치이다.
③ 멀티플렉서는 전환 스위치의 기능을 갖는다.
④ 데이터 선택기라고도 한다.
| 2과목 : 정보통신 시스템 |
21. 다음 중 지능망의 구성 요소가 아닌 것은?
① IP(Intellingent Peripheral)
② LBS(Location Base Service)
③ SCP(Service Control Point)
④ SSP(Service Switching Point)
22. 정보통신시스템은 크게 데이터 전송계와 데이터 처리계로 분리할 수 있다. 다음 중 데이터 전송계가 아닌 것은?
① 단말장치 ② 통신 소프트웨어
③ 데이터 전송회선 ④ 통신 제어장치
23. 국내의 통신망 발전 단계로 올바른 것은?
① ISDN → PSTN → BCN
② BCN → ISDN → PSTN
③ PSTN → ISDN → BCN
④ ISDN → BCN → PSTN
24. 핀테크(FinTech)란 금융(Finance)과 기술(Technology)의 합성어로, 금융과 IT의 융합을 통한 금융서비스 및 산업의 변화를 통칭한다. 다음 중 핀테크의 일반적인 구성 범위가 아닌 것은?
① 자금결제 ② 금융데이터 분석
③ 금융 소프트웨어 ④ 마그네틱 결제
25. PPP(Point-to-Point Protocol)에서 IP의 동적 협상이 가능하도록 하는 프로토콜은?
① NCP(Network Control Protocol)
② LCP(Link Control Protocol)
③ SLIP(Serial Line IP)
④ PPPoE(Point to Point Protocol over Ethernet)
26. 다음 중 BSC 프로토콜에서 사용되지 않는 방식은?
① 루프(Loop) 방식
② 반이중(Half Duplex)방식
③ 포인트 투 포인트(Point-to-Point)방식
④ 멀티포인트(Multipoint)방식
27. 인터넷 프로토콜 중 TCP/IP 계층은 ISO의 OSI 모델 7 계층 중 각각 어느 계층에 대응되는가?
① 인터넷계층 - 데이터링크계층
② 네트워크계층 - 세션계층
③ 응용계층 - 물리계층
④ 응용계층 - 표현계층
28. 표준화 단체인 IETF가 인터넷 표준화를 위한 작업문서를 무엇이라 하는가?
① RFC(Request For Comment)
② RFI(Request For Information)
③ RFP(Request For Proposal)
④ RFO(Request For Offer)
29. ISO/IEC JTC 1의 활동 중 SC21(OSI 상위계층/데이터베이스)에 활동하는 WG 설명으로 맞는 것은?
① WG1: OSI 관리 ② WG4: OSI 구조
③ WG5: 특정 응용 서비스 ④ WG8: 데이터베이스
30. 디지털 통신에서 펄스 성형(Pulse shaping)을 하는 주된 이유로 옳은 것은?
① 심볼간 간섭(ISI)를 줄이기 위함
② 노이즈를 줄이기 위함
③ 다중접속을 용이하게 하기 위함
④ 채널 대역폭을 증가시키기 위함
31. 패킷경로를 동적으로 설정하며, 일련의 데이터를 패킷단위로 분할하여 데이터를 전달하고, 목적지 노드에서는 패킷의 재순서화와 조립과정이 필요한 방식은?
① 회선교환방식 ② 메시지교환방식
③ 가상회선방식 ④ 데이터그램방식
32. 다음 중 10[Gbps] 동기식 전송시스템의 신호를 표시한 것은?
① STM-16 ② STM-32
③ STM-64 ④ STM-128
33. 다음 중 근거리통신망(LAN)에서 사용되는 채널할당방식에서 요구할당 방식에 해당되는 것은?
① ALOHA ② TDM
③ CSMA/CD ④ Token Bus
34. VAN의 서비스 기능 중 통신처리기능(통신처리계층)으로 틀린 것은?
① 패킷 교환 ② 코드 변환
③ 속도 변환 ④ 프로토콜 변환
35. 다음 중 센서 네트워크를 이용하여 유비쿼터스 환경을 구현하는 것을 목적으로 하는 것은?
① USN ② BcN
③ TMN ④ VAN
36. 다음 중 유용한 시스템이 가져야할 특성이라고 볼 수 없는 것은?
① 목적성 ② 자동성
③ 제어성 ④ 비선형성
37. 효율적인 정보통신시스템 유지보수 조직 운영 및 관리 방안 중 인력구성 계획단계에 해당하지 않은 것은?
① 운영 및 유지보수에 대한 지침을 이해한다.
② 운영 및 유지보수에 유경험자를 투입한다.
③ 유지보수 업무 효율성을 극대화시키는 팀을 구성한다.
④ 공사 시방서의 구축예정 물량을 확인한다.
38. 다음 중 TMN(Telecommunication Management Network)에서 정의하고 있는 5가지 관리 기능에 해당하지 않는 것은?
① 성능관리 ② 보안관리
③ 조직관리 ④ 구성관리
39. 다음 문장이 설명하는 것은 무엇인가?

① DNS ② SNMP
③ OSPS ④ TCP/IP
40. 우리나라가 독자 개발한 대칭키 암호화 기술은 무엇인가?
① SEED ② RSA
③ DES ④ RC4
| 3과목 : 정보통신 기기 |
41. 다음 내용에 해당하는 것은?

① Bluetooth ② Zigbee
③ NFC ④ RFID
42. 최단 펄스시간 길이가 1000x10-6[sec]일 때, 이 펄스의 변조속도는?
① 1[baud] ② 10[baud]
③ 100[baud] ④ 1000[baud]
43. 가입자선에 위치하고 단말기와 디지털 네트워크 사이의 인터페이스를 제공하며, 유니폴라 신호를 바이폴라 신호로 변환시키는 것은?
① DSU(Digital Service Unit)
② 변복조기(MODEM)
③ CSU(Channel Service Unit)
④ 다중화기
44. 1200[bps] 속도를 갖는 4채널을 다중화한다면, 다중화 설비 출력 속도는 적어도 얼마 이상이여야 하는가?
① 1200[bps] ② 2400[bps]
③ 4800[bps] ④ 9600[bps]
45. 다음 중 LAN의 구성요소로 틀린 것은?
① 전송매체 ② 패킷교환기
③ 라우터 ④ 네트워크 인터페이스 카드
46. 10Base-5 이더넷의 기본 규격으로 옳은 것은? (문제 오류로 가답안 발표시 3번으로 발표되었지만 확정 답안 발표시 2, 3번이 정답처리 되었습니다. 여기서는 가답안인 3번을 누르면 정답 처리 됩니다.)
① 전송 매체가 꼬임선이다.
② 전송 속도가 10[Mbps]이다.
③ 전송 최대 거리가 500[m]이다.
④ 전송 방식이 브로드밴드 방식이다.
47. 다음 중 회선 교환 방식의 설명으로 틀린 것은?
① 설정되면 데이터를 그대로 투과시키므로 오류 제어 기능이 없다.
② 데이터를 전송하지 않는 기간에도 회선을 독점하므로 비효율적이다.
③ 회선을 전용선처럼 사용할 수 있어 많은 양의 데이터를 전송할 수 있다.
④ 음성이나 동영상 등 실시간 전송이 요구되는 미디어 전송에는 적합하지 않다.
48. 사무실에서 인터넷 구내 망을 설치하여 음성전화 서비스를 제공하는 설비는?
① PBX ② IP-PBX
③ ISDN-PBX ④ Solo-PBX
49. 대용량 전자교환기에서 가장 많이 채택하고 있는 접속 제어 방식은?
① 자동 제어 방식 ② 반전자 제어 방식
③ 축적 프로그램 제어 방식 ④ 중앙 제어 방식
50. H.261의 화상통신에 대한 지원 포맷으로 맞는 것은?
① 106.52[dB] ② 4CIF, CIF
③ CIF, QCIF ④ Sub-QCIF, 4CIF
51. 다음 중 영상회의 시스템의 구성요소로 틀린 것은?
① 음향부 ② 망용량 관리
③ 제어부 ④ 편집부
52. 다음 중 IPTV 서비스를 위한 네트워크 엔지니어링과 품질 최적화를 위한 기능으로 맞지 않는 것은?
① 트래픽 관리 ② 망용량 관리
③ 네트워크 플래닝 ④ 영상자원 관리
53. FM 수신기 리미터의 역할로 가장 타당한 것은?
① 진폭 제한기 ② 전류 증폭기
③ 잡음 억제 회로 ④ 주파수체배기
54. 인공위성이나 우주 비행체는 매우 빠른 속도로 운동하고 있으므로 전파발진원의 이동에 따라서 수신주파수가 변하는 현상은?
① 페이지 현상 ② 플라즈마 현상
③ 도플러 현상 ④ 전파지연 현상
55. 다음 중 WCDMA 방식에 대한 설명으로 옳은 것은?
① 주파수 간격은 1.15[MHz]이다.
② GPS로 기지국간 시간 동기를 맞추어 전송한다.
③ 서로 다른 코드로 기지국을 구분한다.
④ 칩 전송속도는 5.2288[Mbps]이다.
56. 다음 중 이동통신에서 사용하는 셀 종류 중 가장 작은 것은?
① Mega Cell ② Pico Cell
③ Macro Cell ④ Micro Cell
57. 멀티디미어 데이터 압축기법 중 손실 압축 기법으로 틀린 것은?
① FFT(Fast Fourier Transform)
② DCT(Discrete Cosine Transform)
③ DPCM(Differential Pulse Code Modulation)
④ Huffman Code
58. 멀티미디어 서비스 활성화를 위한 CPND의 의미로 틀린 것은?
① C: Contents(콘텐츠) ② P: Platform(플랫폼)
③ N: Network(네트워크) ④ D: Digital(디지털)
59. 다음 중 멀티미디어 압축 기술로 틀린 것은?
① MIDI ② AVI
③ JPEG ④ MPEG
60. 다음 중 멀티미디어기기의 압축에 사용되는 방식이 아닌 것은?
① MPEG-1 ② MPEG-2
③ MPEG-4 ④ MPEG-21
| 4과목 : 정보전송 공학 |
61. 다음 설명 중 틀린 것은?
① ADM은 양자화기의 스텝 크기를 입력신호에 따라 적응시키는 방법이다.
② PCM은 연속적인 아날로그 신호를 일정한 간격으로 샘플링 하는 방법이다.
③ DM은 예측 값과 측정값의 차이를 양자화하는 변조 방법이다.
④ DPCM은 진폭 값과 예측 값과의 차이만을 양자화하는 방법이다.
62. 양자화 잡음비(S/NQ)의 개선 방법으로 틀린 것은?
① 양자화 스텝을 크게 한다.
② 비선형 양자화 방법을 사용한다.
③ 선형양자화와 압신방식을 같이 사용한다.
④ 양자화 스텝수가 2배로 증가할 때마다 6[dB]씩 개선된다.
63. 10[GHz]의 직접확산 시스템이 20[kbaud]의 데이터 전송에 사용된다. 20[Mbps]의 확산부호를 BPSK 변조시킬 때 이 시스템의 처리이득은 얼마인가?
① 13[dB] ② 18[dB]
③ 27[dB] ④ 30[dB]
64. TDM을 사용하여 5개의 채널을 다중화 하려고 한다. 각 채널이 100[byte/s]의 속도로 전송하고 각 채널마다 2[byte]씩 다중화 하는 경우 초당 전송해야 하는 프레임수와 비트 전송률[bps]은 각각 얼마인가?
① 50개, 2000[bps] ② 50개, 4000[bps]
③ 100개, 2000[bps] ④ 100개, 4000[bps]
65. 트위스트 페어 케이블의 누설 콘덕턴스(G)는? (단, δ는 유전체의 손실각이다.)

66. 스넬의 법칙(Snell's law)이란 광선 또는 전파가 서로 다른 매질의 경계면에 입사하여 통과할 때 입사각과 굴절각과의 관계를 표현한 법칙이다. 다음 그림과 같이 굴절률이 n1과 n2로 서로 다른 두 매질이 맞닿아 있을 때 매질을 통과하는 빛의 경로는 매질마다 광속이 다르므로 휘게 되는데, 그 휜 정도를 빛의 입사 평면상에서 각도로 표시하면 θ1과 θ2가 된다. 이때 스넬의 법칙으로 n1, n2, θ1, θ2의 상관관계를 올바르게 정의한 것은?

① n1+cosθ1 = n2+sinθ2 ② n1+cosθ2 = n2+sinθ2
③ n1(sinθ1) = n2(sinθ2) ④ n1(sinθ2) = n2(sinθ1)
67. 다음 중 전송로 상의 구조 분산(도파로 분산)에 대한 설명으로 틀린 것은?
① 광섬유의 구조에 변화가 생겨 빛과 광케이블이 이루는 각이 파장에 따라 변해서 발생
② 실제 전송로의 경로의 길이에 변화가 발생하게 되고 도착 시간의 차이가 발생
③ 광 펄스가 옆으로 퍼지는 현상
④ 모드 사이의 전달되는 전파속도 차이 때문에 발생하는 분산
68. 제한대역매체를 통해 기본파와 제3고조파를 포함하는 디지털 신호를 전송하는데 필요한 대역폭은 얼마인가? (단, n[bps]로 디지털 신호를 보내고자 한다.
① n[Hz] ② 2n[Hz]
③ 4n[Hz] ④ 6n[Hz]
69. 다음 중 밀리미터파의 특징으로 틀린 것은?
① 저전력 사용 ② 우수한 지향성
③ 낮은 강우 감쇠 ④ 송수신장치의 소형화
70. 다음 중 비동기 전송방식의 특징이 아닌 것은?
① 저속도의 EIA-232D 데이터 전송에 주로 사용
② 긴 데이터 비트 열을 연속적으로 전송하는 방식
③ 수신기가 각각 새로운 문자의 시작점에서 재동기를 수행
④ 매 문자마다 Start, Stop 비트를 부가하여 전송
71. 다음 중 혼합형 동기방식의 특징으로 틀린 것은?
① 비동기식보다 전송속도가 빠르다.
② 글자와 글자 사이에는 휴지시간이 없다.
③ 각 글자가 스타트 비트와 스톱 비트를 가진다.
④ 동기식과 비동기식의 전송 특성을 혼합한 것이다.
72. 다음 데이터 통신방식 중 반이중 방식의 설명으로 틀린 것은?
① 2선식 전송로를 이용하며 어느 시점 한 방향으로만 데이터를 전송
② 전송 데이터 양이 적을 때 사용
③ 데이터 전송방향을 바꾸는데 소요되는 시간인 전송 반전 시간 필요
④ 전이중 방식보다 전송효율이 높은 특성을 보유
73. 다음 중 HDLC 전송 프로토콜의 국 사이에서 교환되는 데이터 전송 단위는?
① 데이터그램 ② 프레임
③ 비트 ④ 패킷
74. 다음 중 IP의 특성이 아닌 것은?
① 비접속형 ② 신뢰성
③ 주소 지정 ④ 경로 설정
75. 다음 중 CIDR(Classless Inter-Domain Routing)에 대한 설명으로 틀린 것은?
① 인터넷을 단일 계층구조로 만들어 효율적인 네트워킹을 지원한다.
② 별도 서브넷팅 없이 내부 네트워크를 임의로 분할할 수 있다.
③ 소수의 라우팅 항목으로 다수의 네트워크를 표현할 수 있다.
④ 네트워크 식별자 범위를 자유롭게 지정할 수 있다.
76. 다음 중 UDP에 대한 설명으로 옳지 않은 것은?
① 신뢰성을 제공하지 않는다.
② 연결설정 없이 데이터를 전송한다.
③ 연결 등에 대한 상태 정보를 저장하지 않는다.
④ TCP에 비해 오버헤드의 크기가 크다.
77. 다음 중 동적 라우팅(Dynamic Routing)에 사용되는 프로토콜은?
① HTTP ② PPP
③ OSPF ④ SMTP
78. OSI 7계층 중 2계층인 데이터링크 계층(Data link Layer)의 기능이 아닌 것은?
① 입출력제어 ② 회선제어
③ 동기제어 ④ 세션제어
79. 전송제어 프로토콜 중 HDLC 프로토콜의 프레임구조에서 어드레스(Address)부의 모든 비트가 1인 경우를 무엇이라 하는가?
① No Station Address ② Destination Address
③ Source Address ④ Global Address
80. 다음 중 FEC(Forward Error Correction)의 특징이 아닌 것은?
① 역 채널을 사용하지 않는다.
② 연속적 데이터 전송이 가능하다.
③ 오류가 발생시 패킷을 재전송한다.
④ 잉여 비트에 의한 전송채널 대역이 낭비된다.
| 5과목 : 전자계산기일반 및 정보통신설비기준 |
81. 다음 중 DMA(Direct Memory Access)에 대한 설명으로 틀린 것은?
① 주변 장치와 기억장치 등의 대용량 데이터 전송에 적합하다.
② 프로그램 방식보다 데이터의 전송속도가 느리다.
③ CPU의 개입 없이 메모리와 주변장치 사이에서 데이터 전송을 수행한다.
④ DMA 전송이 수행되는 동안 CPU는 메모리 버스를 제어하지 못한다.
82. 다음 중 선택된 트랙에서 데이터를 Read 또는 Write하는데 걸리는 시간은?
① Seek Time ② Search Time
③ Transfer Time ④ Latency Time
83. 특수한 연필이나 수성펜 등으로 사람이 지정된 위치에 직접 표시한 것을 광학적으로 읽어내는 장치는?
① 디지타이저(Digitizer)
② 광학 표시 판독기(OMR)
③ 광학 문자 판독기(OCR)
④ 자기 잉크 문자 판독기(MICR)
84. 2진수 0011에서 2의 보수(2‘s Complement)는?
① 1100 ② 1110
③ 1101 ④ 0111
85. 자료의 병렬전송을 직렬전송으로 변경하는 레지스터는?
① 명령 레지스터(IR)
② 메모리 주소 레지스터(MAR)
③ 메모리 버퍼 레지스터(MBR)
④ 쉬프트 레지스터(Shift Register)
86. ASCII 코드의 존(Zone)비트와 디지트(Digit) 비트의 구성으로 올바른 것은?
① 존 비트: 2, 디지트 비트: 3
② 존 비트: 3, 디지트 비트: 3
③ 존 비트: 3, 디지트 비트: 4
④ 존 비트: 4, 디지트 비트: 4
87. 다음 중 운영체제의 기능으로 틀린 것은?
① 프로세스의 생성, 제거, 중지 등을 다루는 프로세스 관리
② 프로세스의 적재와 회수를 다루는 기억장치 관리
③ 입출력 장치의 상태를 파악하는 입출력 장치 관리
④ 문서의 작성과 수정, 삭제 등에 관한 사용자 업무처리 관리
88. 다음 중 프로그램 언어에 대한 설명으로 틀린 것은?
① 하드웨어가 이해할 수 있는 언어를 기계어라고 부른다.
② 고급언어로 작성된 프로그램은 기계어로 변환해야 실행이 가능하다.
③ C, PASCAL, FORTRAN 등은 고급언어이다.
④ 어셈블리어는 기계어라고 부른다.
89. 다음의 내용은 마이크로프로세서의 동작을 나타낸 것이다. 동작순서를 바르게 표기한 것은?

① (3) - (4) - (1) - (2) ② (4) - (1) - (2) - (3)
③ (3) - (1) - (4) - (2) ④ (4) - (2) - (3) - (1)
90. 클럭의 주파수가 1[GHz]이고, 명령어 200개를 실행시키고자 한다. 이때 클럭 주기는 얼마인가?
① 0.1[ns] ② 1[ns]
③ 10[ns] ④ 100[ns]
91. 정보통신의 표준화에 관한 업무를 효율적으로 추진하기 위하여 과학기술정보통신부장관의 인가를 받아 설립된 기관은?
① 한국정보통신기술협회
② 한국정보화진흥원
③ 국립전파연구원
④ 한국방송통신전파진흥원
92. 다음 중 전력선통신을 행하기 위한 방송통신설비가 갖추어야 할 기능으로 옳은 것은?
① 전력선과의 접속부분을 안전하게 분리하고 이를 연결할 수 있는 기능
② 전력선으로부터 이상전류가 유입된 경우 접지될 수 있는 기능
③ 단말기의 전력분배 기능
④ 주장치의 이상 현상으로부터 보호할 수 있는 기능
93. 다음 중 보호기와 금속으로 된 주배선반·지지물·단자함 등이 사람 또는 방송통신설비에 피해를 줄 우려가 있을 때에 하는 시설은?
① 보안시설 ② 통전시설
③ 절연시설 ④ 접지시설
94. 다음 중 인터넷접속역무 제공사업자가 이용사업자에게 공개해야 하는 인터넷접속조건에 해당하지 않는 것은?
① 상호접속료 ② 통신망 규모
③ 가입자 수 ④ 트래픽 교환비율
95. 방송통신설비가 이에 접속되는 다른 방송통신설비의 위해 등을 방지하기 위한 대책으로 적합하지 않은 것은?
① 전력선통신을 행하는 방소옹신설비는 이상전압이나 이상전류에 대한 방지대책이 요구되지 않는다.
② 다른 방송통신설비를 손상시킬 우려가 있는 전류가 송출되는 것이어서는 아니 된다.
③ 다른 방송통신설비의 기능에 지장을 주는 방송통신콘텐츠가 송출되어서는 아니 된다.
④ 다른 방송통신설비를 손상시킬 우려가 있는 전압이 송출되는 것이어서는 아니 된다.
96. 발주자는 누구에게 공사의 감리를 발주하여야 하는가?
① 감리원 ② 정보통신기술자
③ 용역업자 ④ 도급업자
97. 다음 중 전기통신사업법에서 정하는 “기간통신역무”에 대한 사항으로 옳지 않은 것은?
① “기간통신역무”와의 전기통신역무는 “부가통신역무”라 말한다.
② 전화·인터넷접속 등과 같이 음성·데이터·영상 등을 그 내용이나 형태의 변경 없이 송신 또는 수신하게 하는 전기통신역무를 말한다.
③ 음성·데이터·영상 등의 송신 또는 수신이 가능하도록 전기통신회선설비를 임대하는 전기통신역무를 말한다.
④ 전화·인터넷접속 등과 같이 음성·데이터·영상 등의 내용이나 형태를 적합한 형태로 변경하여 송신 또는 수신하게 하는 전기통신역무를 말한다.
98. 다음 중 별정통신사업의 등록요건이 아닌 것은?
① 납입자본금 등 재정적 능력
② 기술방식 및 기술인력 등 기술적 능력
③ 이용자 보호계획
④ 정보통신자원 관리계획
99. 다음 중 가장 무거운 벌칙을 처벌받는 대상은?
① 전기통신업무 종사자가 재직 중에 통신에 관하여 알게 된 타인의 비밀을 누설한 자
② 전기통신사업자가 취급 중에 있는 통신의 비밀을 침해한 자
③ 전기통신사업자가 전기통신설비의 제공으로 취득한 이용자의 정보를 제3자에게 제공한 자
④ 전기통신사업자가 제공하는 전기통신역무를 이용하여 타인의 통신을 매개한 자
100. 다음 중 용어의 정의가 맞지 않는 것은?
① “강전류절연전선”이라 함은 절연물만으로 피복되어 있는 강전류 전선을 말한다.
② “전자파공급선”이라 함은 전파에너지를 전송하기 위하여 송신장치나 수신장치와 안테나 사이를 연결하는 선을 말한다.
③ “회선”이라 함은 전기통신의 전송이 이루어지는 유형 또는 무형의 계통적 전기통신로를 말하며, 그 용도에 따라 국선 및 구내선 등으로 구분한다.
④ “중계장치”라 함은 선로의 도달이 어려운 지역을 해소하기 위해 사용하는 증폭장치 등을 말한다.

'기출문제 > 정보통신기사(산업기사)' 카테고리의 다른 글
| [정보통신기사] 2021년 2회차 필기 기출문제(정답포함) (0) | 2021.08.26 |
|---|---|
| [정보통신기사] 2020년 4회차 필기 기출문제(정답포함) (0) | 2020.11.10 |
| [정보통신기사] 2020년 2회차 필기 기출문제(정답포함) (0) | 2020.10.17 |
| [정보통신기사] 2020년 1회차 필기 기출문제(정답포함) (0) | 2020.10.16 |
| [정보통신기사] 2018년 4회차 필기 기출문제 및 정답체크 (0) | 2020.04.20 |
댓글