기출문제/무선설비기사(산업기사)

[무선설비기사] 2018년 4회차 필기 기출문제 및 정답체크

라인T 2020. 3. 11. 09:45
반응형

 

시험 연기 안내

2020년 1회차 방송통신전파진흥원 시험 연기 안내

 

 

기출문제로 공부하실분들을 위해서 올려드립니다! 

더많은 문제는 : 자격증.수능.공무원.한국사 필기 기출문제 추천사이트 전자문제집 CBT

책은 구매하시고 공부하시는게 좋습니다!

무선설비기사 과년도, 세화 2020 무선설비기사 과년도, 세화(박룡)

처음공부하시는분 또는 기초적인 이론부터 가져가실분은! 필기책을 구매하시고

빠른시간내에 무선설비기사 필기를 취득하고 싶다 하시는분은 과년도책을 구매하시길 바랍니다.

 

1. 다음 회로에서 안정계수(SV)값이 증가하기 위한 조건으로 옳은 것은?

   VS를 증가시킨다.

   RS를 감소시킨다.

   출력전압(VL)을 감소시킨다.

   출력전압(IL)을 감소시킨다.

 

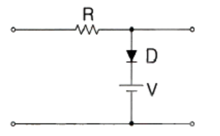
2. 다음 그림과 같이 2[]의 저항과 실리콘(Si)다이오드의 직렬 회로에서 다이오드 양단의 전압 크기는 얼마인가?

   0[V] 1[V]

   5[V] 7[V]

 

3. 다음 중 부궤환 증폭기의 특성이 아닌 것은?

   잡음이 감소된다.

   주파수 특성이 개선된다.

   비직선 왜곡이 감소된다.

   안정도가 다소 감소된다.

 

4. 다음 증폭기 회로에서 RE가 증가하면 어떤 현상이 일어나는가?

   차동이득이 감소한다. 차동이득이 증가한다.

   동상이득이 감소한다. 동상이득이 증가한다.

 

5. 다음 중 궤환회로에서 발진이 일어나는 조건인 바크하우젠 발진조건에 관한 설명으로 틀린 것은? (, A는 증폭부의 증폭률이고 β는 궤환부의 궤환율이다.)

   발진조건은 |Aβ |= 1 이다.

   Aβ<1 이면 발진이 일어나지 않는다.

   Aβ>1 이면 발진은 되나 이득이 계속 증가하여 클리핑이 일어나면서 불안정하다.

   Aβ=1 은 발진조건으로 일정한 진폭의 직류출력이 발생한다.

 

6. 전류 궤환 증폭기의 출력 임피던스는 궤환이 없을 경우에 비해 어떻게 변화하는가?

   변화가 없다. 0이 된다.

   감소한다. 증가한다.

 

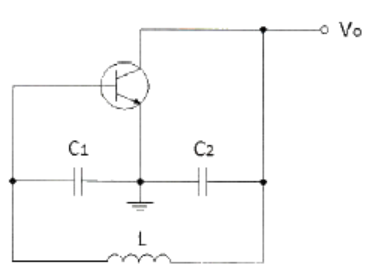
7. 그림과 같은 발진회로에서 200[kHz]의 발진주파수를 얻고자 한다. C1C2의 값이 0.001[μF]이라면 L의 값은 약 얼마인가?

   2.21[mH] 1.27[mH]

   2.31[mH] 1.35[mH]

 

8. 발진회로의 궤환루프의 감쇠가 0.5인 경우 발진을 유지하기 위한 증폭 회로의 전압이득은?

   전압이득은 2.0이어야 한다.

   전압이득은 1.5이어야 한다.

   전압이득은 1.0이어야 한다.

   전압이득은 0.5보다 적어야 한다.

 

9. 다음 중 비동기 검파에 대한 설명으로 옳은 것은?

   국부발진 신호와 입력신호를 곱하게 하는 곱셈 검파기이다.

   송신측과 수신측이 동일한 반송파를 이용한다.

   주로 ASKFSK에 이용된다.

   동기검파보다 복조시스템이 복잡하다.

 

10. 주파수 변조에서 신호주파수가 4[kHz], 최대 주파수 편이가 20[kHz]이면, 변조지수는?

    0.2 5

    16 80

 

11. 간접 FM 변조방식(Armstrong 방식)에서의 필수 요소가 아닌 것은?

    가산기(Adder)

    평형 변조기(Balanced modulation)

    위상천이기(90° phase shifter)

    진폭제한기(Limiter)

 

12. AM변조에서 100[%] 변조인 경우 그 변조 출력 전력이 6[kW]일 때, 반송파 성분의 전력은 얼마인가?

    1[kW] 1.5[kW]

    2[kW] 4[kW]

 

13. 다음 그림과 같은 회로에 대한 설명 중 옳은 것은?

    입력 파형의 아랫부분을 잘라내는 베이스 클리퍼 회로이다.

    입력 파형의 윗부분을 잘라내는 피크 클리퍼 회로이다.

    직렬형 베이스 클리퍼 회로이다.

    입력 파형의 위, 아래 부분을 일정하게 잘라내는 클리퍼 회로이다.

 

14. RC 회로의 출력에서 최종치의 10[%]~90[%]까지 얻는데 소요되는 시간을 무엇이라 하는가?

    지연 시간 하강 시간

    상승 시간 전이 시간

 

15. 다음 중 Master-Slave 플립플롭은 어떠한 현상을 해결하기 위한 플립플롭인가?

    지연 현상 Race 현상

    Set 현상 Toggle 현상

 

16. 마스터 슬레이브 JK-FF에서 클럭 펄스가 들어올 때마다 출력 상태가 반전되는 것은?

    J=0, K=0 J=1, K=0

    J=0, K=1 J=1, K=1

 

17. JK 플립플롭(Flip-Flop)을 다음 그림과 같이 연결했을 때, 결과치가 같은 플립플롭은?

    D 플립플롭 RS 플립플롭

    T 플립플롭 MS 플립플롭

 

18. 다음 중 전감산기의 입력과 관계없는 것은?

    감수 상위에서 자리 빌림

    피감수 하위에서 자리 빌림

 

19. 다음은 어떤 논리 회로인가?

    인코더 디코더

    RS 플립플롭 JK 플립플롭

 

20. 25진 리플 카운터를 설계할 경우 최소한 몇 개의 플립플롭이 필요한가?

    4 5

    6 7

 

21. 다음 중 디지털 신호에 따라 반송파의 진폭과 위상을 동시에 변화시키는 변조방식은?

     ASK(Amplitude Shift Keying)

    QPSK(Quadrature Phase Shift Keying)

    QAM(Quadrature Amplitude Modulation)

    OQPSK(Offset Quadrature Phase Shift Keying)

 

22. CDMA(Code Division Multiple Access)의 특징 으로 옳은 것은?

    수신기의 하드웨어가 단순해진다.

    고도의 전압제어 기술이 요구된다.

    주파수 및 timing 계획이 필요하며 주파수 사용효율이 높다.

    서로 직교관계에 있는 부호를 할당한다.

 

23. 다음 중 디지털송신설비를 아날로그송신설비에 비교한 설명으로 틀린 것은?

    적은 전력으로 광범위한 서비스지역을 확보할 수 있다.

    데이터를 이용한 다양한 서비스가 가능하다.

    디지털 송신설비는 좁은 면적에 시설할 수 있다.

    다지털 송신설비는 단순한 편이나 운용비용이 비싸다.

 

24. 100[kbps] 데이터율로 디지털 데이터를 전송할 경우 16-ary QAM의 심볼전송률[sps]?

    25[ksps] 50[ksps]

    80[ksps] 160[ksps]

 

25. 위성 통신에 사용되는 주파수 대역 중 12.5~18[GHz] 대역을 무엇이라고 하는가?

    C 밴드 Ku 밴드

    Ka 밴드 X 밴드

 

26. 다음 그림은 어떤 변조 파형인가?(문제 오류로 그림파일을 복원하지 못하였습니다. 정답은 2번입니다.)

    진폭 편이 변조 위상 편이 변조

    주파수 편이 변조 진폭 변조

 

27. 100[MHz]의 반송파로 주파수가 50[KHz]인 정현파 신호를 주파수 변조할 때 주파수 감도계수 kf=100을 사용한다고 가정하자. 정현파 신호의 진폭을 10으로 하였을 때 FM 변조된 신호의 대역폭은?

    102[KHz] 120[KHz]

    240[KHz] 300[KHz]

 

28. 다음 중 선박의 안전운항을 위하여 필요한 관련 장비 및 도구에 적합하지 않은 것은?

    AIS LRIT

    SSAS GSNN

 

 

 

29. 슈퍼헤테로다인 수신기의 영상주파수 방해를 줄이기 위해 동조회로를 어느 단에 설치하는 것이 바람직한가?

    혼합기 앞단

    혼합기 뒷단

    중간주파수증폭기 뒷단

    저주파전력증폭기 앞단

 

30. 다중접속 기술 방식 중 OFDMA(Orthogonal Frequency Division Multiple Access) 방식의 단점으로 옳은 것은?

    타임슬롯 동기화가 어렵다.

    주파수 자원의 이용 효율이 낮다.

    복잡한 전력제어 알고리즘이 필요하다.

    시간동기와 주파수동기에서 오류가 발생하면 성능저하가 심각하다.

 

31. 전원장치에 사용되는 평활회로의 역할은 무엇인가?

    저역여파기 고역여파기

    대역여파기 대역소거여파기

 

32. 다음 중 축전지에 대한 설명으로 틀린 것은?

    축전지는 한번 충전하여 영구적으로 사용하는 전지이다.

    1차 전지는 한번 사용하면 다시 사용할 수 없는 전지이다.

    2차 전지는 충전과 방전을 몇 번이고 반복하여 사용할 수 있는 전지이다.

    축전지의 종류에는 납 축전지와 알칼리 축전지 등이 있다.

 

 

33. 제어부의 연결 형태에 따른 정전압 회로의 종류에 해당되지 않는 것은?

    제너 다이오드형 가변용량 콘덴서형

    병렬 제어형 직렬 제어형

 

34. 무정전 전원공급 장치 설비 중 무전압 상태의 열화진단방법으로 적합하지 않은 것은?

    절연저항법 직류 성분법

    부분방전 시험 직류 고전압 인가법

 

35. 측정물의 작용에 의하여 계측기의 지침이 변위를 일으켜, 이 변위를 눈금과 비교하여 측정치를 얻는 측정방식은 무엇인가?

    편위법 영위법

    보정법 치환법

 

36. 인버터의 스위칭 주파수가 2[kHz]가 되려면 주기는 몇 [ms]로 해야 하는가?

    0.1[ms] 0.5[ms]

    1[ms] 10[ms]

 

37. 기준 안테나로 무손실 반파장 다이폴 안테나와 등방성 안테나를 사용하여 피측정 안테나의 이득을 측정한 경우 각각의 이득을 무엇이라고 하는가?

    상대이득, 절대이득 상대이득, 지상이득

    절대이득, 지상이득 절대이득, 상대이득

 

38. 다음 중 FM수신기의 감도 측정 방법으로 적합한 것은?

    잡음 증가감도에 의한 측정방법

    이득 증가감도에 의한 측정방법

    잡음 억압감도에 의한 측정방법

    이득 억압감도에 의한 측정방법

 

39. 무부하시의 직류 출력전압을 220[V], 부하시의 직류 출력전압을 200[V]라 할 때, 전압 변동률은 몇 [%] 인가?

    5[%] 10[%]

    20[%] 40[%]

 

40. 고주파 전압계에 나타나는 정재파의 최대점 전압과 최소점 전압이 각각 12[V], 4[V]일 때, 정재파비는 얼마인가?

    0.5 ② √2

    2 3

 


41.
다음 중 전파에 관한 설명으로 맞는 것은?

    진행방향에는 전계와 자계가 없고 직각인 방향에만 전계와 자계 성분이 있는 경우를 구면파라고 한다.

    매질의 종류에 관계없이 속도는 광속과 같다.

    전파는 종파이다.

    군속도×위상속도 = (광속도)2

 

42. 어떤 전자파의 전계의 세기는 E=10cos(109t+30z)와 같다. 이 전자파의 위상속도는 얼마인가?

     × 108 [m/sec] × 108 [m/sec]

    3 × 108 [m/sec] 9 × 108 [m/sec]

 

43. 안테나계에 대한 설명으로 틀린 것은?

    안테나 전류의 파복에서 급전하는 것을 전류급전이라 한다.

    같은 길이의 안테나에서도 전압급전인가, 전류급전인가에 따라 특성 임피던스가 달라진다.

    동조 급전선인 때에만 전압급전과 전류급전의 구별이 있다.

    안테나의 길이가 /2이더라도 중앙에서 급전하면 전류급전이고, 끝단에서 급전하면 전압급전이다.

 

44. 다음 중 도파관의 여진의 종류가 아닌 것은?

    정전적 결합에 의한 여진

    분기적 결합에 의한 여진

    작은 루프 안테나에 의한 여진

    전자적 결합에 의한 여진

 

45. 전송선로의 인덕턴스가 2[μH/m], 커패시턴스가 50[pF/m]일 때 이 선로에 대한 위상속도는?

    0.1×108[m/sec] 1×108[m/sec]

    10×108[m/sec] 100×108[m/sec]

 

46. 다음 중 정재파에 대한 설명으로 틀린 것은?

    한 방향으로 진행하는 파이다.

    정합이 되어있지 않았을 때 생긴다.

    정재파가 크면 클수록 전송손실이 크다.

    전류와 전압의 위상은 선로상 어느 점에서도 동일하다.

 

47. 부하의 정규화 임피던스가 Zn=1.5+j0인 무손실 급전선의 전압 정재파비는 얼마인가?

    1.0 1.5

    2.0 3.0

 

48. 급전선의 임피던스 Zo=Ro+jXo와 부하의 임피던스 ZL=RL+jXL에서 Ro, RL, Xo, XL이 어떤 관계에 있을 때 임피던스 정합이 됐다고 하는가?

    Ro = RL, Xo = XL Ro = RL, Xo = -XL

    Ro = -RL, Xo = XL Ro = -RL, Xo = -XL

 

49. 정전계와 복사전계의 크기가 같아지는 지점은? (, λ는 파장이다.)

    ① λ 3.14λ

    ③ λ/2 0.16λ

 

50. 근거리 Fading 방지용으로 적합한 안테나 높이는? (, λ는 파장이다.)

    0.84λ 0.73λ

    0.53λ 0.64λ

 

52. 안테나의 기저부에 콘덴서를 삽입하는 이유는?

    고유 주파수 보다 높은 주파수에 공진시킨다.

    고유 주파수 보다 낮은 주파수에 공진시킨다.

    접지저항을 감소시키기 위하여 사용한다.

    접지저항을 증가시키기 위하여 사용한다.

 

53. 다음 중 진행파 안테나이면서 장중파대 수신용인 안테나는?

    루프 안테나 웨이브 안테나

    L형 안테나 Bellini-Tosi 안테나

 

54. 안테나 손실저항 중 코로나손실에 대한 설명으로 옳은 것은?

    코로나 방전 등에 의해 생기는 손실

    안테나 지시물이나 안테나 주변의 유도체에 의한 고주파손실

    대지와 안테나와의 접촉저항

    안테나 주변의 도체 내에 유기되는 고주파와 전류에 의한 손실

 

55. 다음 중 전자파장해(EMI)에 대한 설명으로 틀린 것은?

    전자파장해 또는 전자파간섭이라고 하며 전자기기로부터 부수적으로 발생되는 불필요한 전자파가 공간으로 방사된다.

    전원선을 통해 전도되어 해당기기 자체나 통신망 및 다른 전기·전자기기에 전자기적 장해를 유발시킨다.

    전자파를 발생시키는 기기가 다른 기기의 성능에 영향을 주지 않도록 전자파가 방사 또는 전도되는 것을 제한한다.

    전자파보호, 전자파내성 또는 전자파 민감성이라 하며 전자파 방패가 존재하는 환경에서 기기, 장치 또는 시스템의 성능의 저하없이 동작할 수 있다.

 

56. 다음 중 전리층의 급격한 이동으로 반사파와 측파대가 받는 감쇠의 정도가 달라져서 생기는 페이딩에 대한 설명으로 틀린 것은?

    선택성 페이딩이다.

    주파수 다이버시티를 사용하여 방지할 수 있다.

    SSB(Single Side Band) 통신 방식을 사용하면 발생하지 않는다.

    AGC(Automatic Gain Control) 장치를 사용하여 방지할 수 있다.

 

57. 다음 중 대류권전파에서 라디오덕트가 생성되는 조건에 대한 표현으로 옳은 것은? (, M : 수정굴절율, h : 송신안테나 높이)

58. 다음 중 공전잡음에 대한 설명으로 틀린 것은?

    장파보다 단파에서 영향이 더 심하다.

    적도부근에서 많이 발생한다.

    지향성 안테나를 사용하여 영향을 경감시킬 수 있다.

    뇌방전에 의해 공전잡음이 발생한다.

 

 

 

59. 다음 중 지표파의 대지에 대한 영향으로 틀린 것은?

    지표파의 전계강도 감쇠가 커지는 순서는 해상해안평야구릉산악시가지이다.

    주파수가 낮을수록 멀리 전파된다.

    대지의 유전율이 클수록 멀리 전파된다.

    수평편파보다 수직편파 쪽이 감쇠가 작다.

 

60. 지표면에서 전리층을 향해 수직으로 펄스파를 발사한 후, 2[ms] 후에 생기는 반사파는 어느 전리층에서 반사된 것인가?

    D E

    Es F

 

61. 다음 중 전리층 높이를 측정할 때 주로 사용되는 파형은?
   
정현파 삼각파

    구형파 펄스파

 

62. 다음 중 PCM에서 발생되는 엘리어싱(Aliasing)에 대한 설명으로 옳은 것은?

    시간영역에서 파형이 빠르게 변화하는 현상

    주파수영역에서 스펙트럼의 위상반전이 반복되는 현상

    시간영역에서 파형의 지연이 심해지는 현상

    주파수영역에서 스펙트럼이 겹쳐서 나타나는 현상

 

63. 다음 무선통신 채널코딩 방식 중 일정한 정도까지의 Burst Error를 정정하는 능력이 있는 채널코딩 방식은?

    LDPC(Low Density Parity Check)

    ② Convolution Code

    Reed Solomon Code

    ④ Turbo Code

 

64. 다음 중 PCM(Pulse Code Modulation) 다중통신의 특징이 아닌 것은?

    전송로의 잡음이나 누화 등의 방해가 적다.

    중계시마다 잡음이 누적되지 않는다.

    경로(Route) 변경이나 회선 변환이 쉽다.

    협대역 전송로가 필요하다.

 

65. 다음 중 브로드밴드(Broad Band) 전송 방식의 특징이 아닌 것은?

    통신경로를 여러 개의 주파수 대역으로 나누어 이용한다.

    디지털 신호로 변조하여 전송하는 방식이다.

    Audio/Video 등에 대한 전송도 가능하다.

    주파수 분할 다중화 방식을 이용한다.

 

66. 우리나라에서 사용하고 있는 지상파 DMB 전송모드의 시스템 대역폭은 얼마인가?

    1.25[MHz] 1.536[MHz]

    3.84[MHz] 6[MHz]

 

67. 다음 중 이동통신 시스템에서 셀의 크기를 결정하는 요인으로 관련이 가장 적은 것은?

    기지국 송신 전력

    사용자 밀집도

    주변 기지국으로부터의 전파 간섭

    평균적인 통화시간

 

68. 다음 중 방향 탐지기(Direction Finder)에 대한 설명으로 틀린 것은?

    항행 보조 장치로 사용한다.

    야간방향 오차, 해안선 오차, 4분원 오차가 존재한다.

    루프(Loop)안테나와 Goniometer의 특성을 이용한다.

    마이크로파(극초단파) 정도의 전자기파를 물체에 발사시켜 그 물체에서 반사되는 전자기파를 수신하여 물체와의 거리, 방향, 고도 등을 알아내는데 사용한다.

 

69. DMB(Digital Multimedia Broadcast) 시스템에 대한 설명으로 틀린 것은?

    DMB는 전송수단에 따라 지상파 DMB와 위성 DMB로 구분한다.

    CD 수준의 음질과 데이터 또는 영상서비스가 가능하다.

    다양한 디지털콘텐츠를 이동중인 휴대단말기 가입자에게만 서비스가 가능하다.

    고정수신자 및 이동수신자에게 고품질로 제공되는 디지털 멀티미디어 방송서비스를 의미한다.

 

70. 다음 중 소비 전력이 가장 작은 무선통신 시스템은?

    Wi-Fi Wibro

    Bluetooth Wimax

 

71. 위성과 지구국의 위치를 이용해 궤도 역학으로부터 지연(Delay)을 계산하여 동기(Sync)를 맞추는 망동기 방식은?

    Local Loop Control 방식

Remote Loop Control 방식

    Open Loop Control 방식

Close Loop Control 방식

 

72. OSI 참조 모델의 계층과 이에 관련된 프로토콜이나 기술을 잘못 짝지은 것은?

    데이터링크 계층 - LLC

전달 계층 - FTP

    물리 계층 - IrDA

네트워크 계층 - OSPF

 

73. 다음의 ASCII 제어문자 중에서 수신기로부터 송신기로 긍정적인 응답을 보내기 위한 것은?

    NAK ENQ

    ACK EOT

 

74. 다음 중 무선 인터넷 기술의 하나로 무선 단말기 및 무선망에서 무선 응용서비스를 사용할 수 있도록 하는 프로토콜은 무엇인가?

    RADIUS HDLC

    WAP CHAP

 

75. 다음 중 BASIC 프로토콜의 특성이 아닌 것은?

    루프 형태의 데이터링크에 사용할 수 있다.

    사용 코드에 제한이 있다.

    연속적 ARQ 방식은 사용할 수 없다.

    전이중은 불가능하다.

 

76. 통신 프로토콜은 ISO/OSI 7 계층 중 전달 계층(Transport Layer)을 중심으로 상위계층과 하위계층 프로토콜로 구분한다. 다음 중 하위계층의 프로토콜이 아닌 것은?

    부 순서 프로토콜

    문자 방식 프로토콜

    문자 계수식 프로토콜

    XNS (Xerox Network System) 프로토콜

 

77. 다음 중 무선통신 실시설계의 산출물로 적합하지 않은 것은?

    공사비 산출서 설계 계획서

    실시설계 도서 설계 계산서

 

78. 다음 표에서 정의하는 것은 무엇인가?

    공사감독 공사안전관리자

    공사현장소장 공사현장대리인

 

79. 다음 중 주파수대, 무선국 종류, 허용편차를 잘못 짝지은 것은?

    4[MHz]초과 29.7[MHz]이하 - 지구국 - 백만분의 30

    9[kHz]초과 535[kHz]이하 - 무선측위국 - 백만분의 100

    29.7[MHz]초과 100[MHz]이하 - 육상국 - 백만분의 20

    1606.5[kHz]초과 4.0[MHz]이하 아마추어국 - 백만분의 500

 

80. 휴대폰이나 MP3 Player와 같은 IT 기기들은 제조한 후 정전기방전에 대한 내성시험을 하게 되는데 다음 중 정전기방전을 나타내는 것은?

    ESD EFT/B

    Surge EMI


81. 16
비트 명령어 형식에서 연산코드 5비트, 오퍼랜드13비트, 오퍼랜드28비트일 경우, 연산종류와 사용할 수 있는 레지스터의 수를 바르게 나열한 것은?

    ① ⓐ 32가지, 512 ② ⓐ 31가지, 8

    32가지, 8 ④ ⓐ 8가지, 511

 

82. 전자계산기 소프트웨어는 시스템 소프트웨어와 응용 소프트웨어의 두 가지 종류로 구분될 수 있다. 다음 중 시스템 소프트웨어가 아닌 것은?

    과학용 프로그램

    운영 시스템

    데이터 베이스 관리 시스템

    통신 제어 프로그램

 

83. 10진수 (38)102진수로 올바르게 변환한 것은?

    (100100)2 Ā (100101)2

    (100110)2 Ā (100111)2

 

84. 다음 중 자료의 병렬전송을 직렬전송으로 변경하는 레지스터는?

    명령 레지스터(IR)

    메모리 주소 레지스터(MAR)

    메모리 버퍼 레지스터(MBR)

    쉬프트 레지스터(Shift Register)

 

85. 접근시간(Access Time)과 사이클시간(Cycle Time)에 관한 설명으로 틀린 것은?

    사이클시간이 접근시간보다 대개 시간이 더 걸린다.

    접근시간은 메모리로부터 정보를 거쳐오는 데 걸리는 시간이다.

    접근시간은 주기억장치에만 관계되며 보조기억장치와는 상관이 없다.

    접근시간은 메모리로부터 정보를 가지고 나와서 다시 재 기억시키는데 걸리는 시간이다.

 

86. 다음 중 컴퓨터의 운영체제에서 로더(Loader)의 주요 기능이 아닌 것은?

    프로그램과 프로그램 간의 연결(linking)을 수행한다.

    출력 데이터에 대해 일시 저장(spooling) 기능을 수행한다.

    프로그램이 실행될 수 있도록 번지수를 재배치(relocation)한다.

    프로그램 또는 데이터가 저장될 번지수를 계산하고 할당(allocation)한다.

 

87. 파일 관리자는 파일 구조에 따라 각기 다른 접근 방법으로 관리한다. 다음 중 저장공간의 효율성이 가장 높은 파일 구조는 어느 것인가?

    직접 파일(Direct File)

    순차 파일(Sequential File)

    색인 순차 파일(Indexed Sequential File)

    분할 파일(Partitioned File)

 

88. 다음 중 운영체제가 제공하는 소프트웨어 프로그램이 아닌 것은?

    스택(Stack)

    컴파일러(Compiler)

    로더(Loader)

    응용 패키지(Application Package)

 

89. 디스크 오류가 발생하였을 때, 디스크를 재구성하지 않고 복사된 것을 대체함으로써 데이터를 복구할 수 있는 RAID 레벨(Level)?

    RAID 0 RAID 1

    RAID 3 RAID 5

 

90. 몇 개의 관련 있는 데이터 파일을 조직적으로 작성하여 중복된 데이터 항목을 제거한 구조를 무엇이라 하는가?

    Data File Data Base

    Data Program Data Link

 

91. 다음 공사 중 감리대상에서 제외되는 공사의 범위가 아닌 것은?

    6층 미만으로서 연면적 5천 제곱미터 미만의 건축물에 설치되는 정보통신설비의 설치공사

    철도, 도시철도 설비의 정보제어 등 안전관리를 위한 공사로서 총 공사금액이 1억원 미만인 공사

    방송, 항공 설비의 정보제어 등 안전관리를 위한 공사로서 총 공사금액이 1억원 이상인 공사

    전기통신사업자가 전기통신역무를 제공하기 위한 공사로서 총 공사금액이 1억원 미만인 공사

 

92. 방송통신기술의 진흥을 통한 방송통신서비스 발전을 위한 시책을 수립·시행하여야 하는 자는?

    산업통상자원부장관

    한국정보통신진흥협회장

    문화체육관광부장관

    과학기술정보통신부장관

 

93. 다음 중 전파감시 업무를 수행하여야 하는 목적으로 틀린 것은?

    혼신의 신속한 제거를 위하여

    새로운 전파자원의 확보를 위하여

    전파이용 질서의 유지 및 보호를 위하여

    전파의 효율적 이용을 촉진하기 위하여

94. 다음 문장의 괄호 안에 들어갈 내용으로 가장 적합한 것은?

    5 10

    15 20

 

95. 다음 중 무선국에 대한 설명으로 틀린 것은?

    실험국은 외국의 실험국과 통신을 하여서는 아니 된다.

    아마추어국은 비상재난구조를 위한 중계통신을 할 수 있다.

    아마추어국은 제3자를 위한 통신을 하여서는 아니 된다.

    실험국이 통신을 하는 때에는암어를 사용하여야 한다.

 

96. 안테나계가 충족하여야 하는 조건이라고 할 수 없는 것은?

    무선설비를 작동할 수 있는 최소 안테나 이득을 가질 것.

    정합은 신호의 반사손실이 최소화되도록 할 것.

    전압은 전압변동률이 정격전압을 기준으로 ±10[%] 이내에서 유지할 것.

    지향성은 복사되는 전력이 목표하는 방향을 벗어나지 아니하도록 안정적일 것.

 

97. 거짓이나 그 밖의 부정한 방법으로 적합성평가를 받은 경우 어떠한 행정처분을 받는가?

    시정명령 개선명령

    적합성평가의 취소 판매중지

 

98. 무선통신업무에 종사하는 자는 원칙적으로 몇 년마다 통신보안교육을 받아야 하는가?

    10 5

    3 2

 

99. 다음 문장의 괄호에 들어갈 적합한 말은?

    접지선 급전선

    송신장치 단말기

 

100. 다음 중 고시대상 무선국을 허가한 경우 고시하여야 하는 사항이 아닌 것은?

    허가연월일

    허가번호

    호출부호 또는 호출명칭

    안테나형식과 명칭

반응형